绿色节能环保网 > 仪器仪表 > 上海北四特自动化科技有限公司

上海北四特自动化科技有限公司

主营:电磁阀、电动阀(电动球阀、电动蝶阀等)、

    Z111-15RI02电磁阀

    • 价格:1元/个
    • 供货总量:1000000
    • 最小起订:1
    • 发货期限:2
    • 所在地区:上海市嘉定区
    • 联 系 人:徐小姐女士

    15821684786

    打电话时请告知是在绿色节能环保网上看到的,谢谢!

    • 详细介绍

    Z111-15RI02

    Z201-01RⅠ02-1/4"
    Z351-01BI02-250-1/4"-Ns
    Q12F-64P-15 
    Q8002-25RⅢ-QA63
    Q8002-15RⅢ-QA52
    7/11下单:
    Q12P-16R-40   2 只【2PC】
    Q12P-16R-15   4 只【2PC】
    Q10P-16R-10   3 只【1PC】
    ZXJ11W-160R-10  2只 【针型阀】
    ZXJ11W-160R-15  2只 【针型阀】
    7/11下单:
    Y型过滤器   -16T-25   1 只
    铜球阀     Q12P-16T-25    2 只
    铜球阀     Q12P-16T-15    7 只
    铜球阀     Q10P-16T-10    10 只
    铜截止阀   J11W-16T-10    2 只
    铜截止阀   J11W-16T-15    1 只
    Z111-15I24-X
    Z111-20I24-X
    EV2210-010I24  
    021-1/2
    Z281-15BⅠ02-6   10

    DF810-350CdⅢ-10-W    1只
    DF810-500CdⅢ-10-W    1只
    Y42X-40P-20
    C500-25Ⅲ02
    Z101-03I02-J
    ZF33-06BI02-Q1
    C8104-450Cd02-10B200
    C810-450Cd
    02-10B200 
    D371X-10CC1  DN450  1

    中英文标贴
    Y42X-16C-25    2只【法兰外圆115毫米】
    Y42X-16C-20    2只【法兰外圆105毫米】
    中英文标牌
    C8004-25CFⅢ02T-CG05
    C800-25CFⅢ02-CG05◇
    中英文标牌
    ZBSF-15BF02-Y
    中英文标牌
    CZ430 
    AC380-50HZ
    /AC440-60HZ 通用
    中英文标牌

    注意:需要测量电流:1-2A,范围内合格
    H44F-16P-15
    英文标牌
    G45J-10  DN50
    中英文标牌
    Z1753-04I02-9F组件
    中英文标贴
    C700-15II02
    Q41F-150LbT   1"  4只
    中英文标牌
    ZCM-125C(_)FⅡ02
    另配该阀的NBR膜片2只
    Q12P(_)-40BⅣ
    C8004-20BⅢ02-CG05
    C80032-20BⅢ02-CG05
    C80032-32BⅢ02-CG05
    C80032-20BH(_)Ⅲ02-100CG10-QJ64

    QJ64F-100P-20
    来货后,发给徐总装电动
    CS49H-16C-25  2只
    CB/T46-1999
    Z111-03RⅡ02
    TZC800-150BFⅣ02-CG100☆# 
    SCQ4896
    【4-20mA信号】
    Z101-32BI02 

    Z111-06RI24
    Z111-06RI04-1/4"
    C800-80BFⅢ02-25CG40
    ZCD-06BⅦ02
    Q12F-64R-40
    H12X-16T-40    8只
    Z281-15BⅠ24-▽    2只
    BdZ291-20BFV02    1只
    CPVC阀杆用于
    【Z3CF-20UⅡ02】(—)
    F100-20R
    Z102-06BII02
    Z131-50BⅢ02-D
    -40  1只
    YG41-25P4-25    1只
    H44W-25P4-25    1只
    J41W-25P4-25    2只
    以上均为HG/T20615化工部美标标准RF面
    以上都要配法兰、垫片(304+石墨缠绕垫)、螺栓
    Z111-25I02-M
    BdZ292-10BⅠ24 1只  左2
    BdZ291-10BⅠ24 1只  右3
    BZ101-50BFII02-J 
    Q80031-15BⅢ-25QA63
    C800-50CFⅣ02-CG10■

    C800-20BⅢ02-160B20-□" 
    动作时间9S 
    Q12F-16P-15
    H12W-16P-15 
    ZQDF-15FⅢ02-Y
    Z112-03I02

    Z111-06RI24
    热水阀
    Z101-10B-G-1/2-E-13WDC24
    Z111-06RI11
    C600-20BⅢ24-□"
    Z101-2.5BI24
    C800-40BⅢ02-C05
    C800-40CFⅢ02-C05■
    C8104-450Cd02-10B200
    C810-450Cd
    02-10B200 
    DF810-250
    CC(____)1dI-10-W  4
    中英文标贴
    Y42X-16C-25    2只【法兰外圆115毫米】
    Y42X-16C-20    2只【法兰外圆105毫米】
    中英文标牌
    C8004-25CFⅢ02T-CG05
    C800-25CFⅢ02-CG05◇
    中英文标牌
    ZBSF-15BF02-Y
    中英文标牌
    CZ430 
    AC380-50HZ
    /AC440-60HZ 通用
    中英文标牌

    注意:需要测量电流:1-2A,范围内合格
    H44F-16P-15
    英文标牌
    G45J-10  DN50
    中英文标牌
    YS2-32RQ
    Q12P(-)-25P-25
    Q41F-25P-80


    Z101-40BI02
    Z101-32BⅡ24-VD 
    C600-20BⅢ24-&
    C600-15BⅢ24-&
    ZQDF-20F(_)Ⅲ02-Y
    Q41F-16R-32 

    Q41F-16R-40  

    Q41F-16R-50  
     

    QJ65F-250P-10
    CS49H-16C-25  2只
    CB/T46-1999
    -40  1只
    BZ101-80BFII02-J 
    Z1753-04I24-4F组件/2套
    Z2CF-20I24
    Z2CF2-20I24
    Z3CF-32I24
    J41H-16C-80   10只
    Q80032-25BⅢ-QA63
    YS-15LQ-25
    YG11-25L-15
    BFC2000   6只
    后来退货,客人要的是AFC
    C7003-15II02
    Z131-15I01
    BZQDF-40BFV02
    BZQDF-20BV02
    H14W-16P-15
    YF-25RQ
    YF-20RQ
    AFC2000  20只
    YG41-5P   DN40  1只【CBM1012-81标准】
    Z282-08LV24-▽   1只
    HX38-25BF-BB
    YS2-25RQ
    A207W-16P-32-2.2
    -40  1只
    Q8002-50BⅢ-QAS92
    Q8002-25BⅢ-QAS63
    Z101-25BI24-J
    Z111-25RI24
    Z111-10RI24
    Z111-15RI24
    同左
    YF311-25RQ
    C600-10BⅢ02
    Z101-40I02 
    Q12P(_)-15B  
    Q12P(_)-20B  
    Q12P(_)-25B  
    Q12P(_)-32B  
    H14H-16C-15  
    H14H-16C-20  
    H14H-16C-25  
    H14H-16C-32  


    ZDF-80BF/1只装
    Z111-06RI11/50只装
    ZQDF-50F盒子【原2#盖塑箱】
    ZQDF-25BF /1只装
    C600-20BⅢ24-&
    C600-15BⅢ24-&
    同左
    Q12F-16P-15
    BZQDF-25BFV02 
    Z901-25BI24-0∑

    冷水阀
    Z101-10BI-1/2-13WDC24
    热水阀
    Z101-10B-G-1/2-E-13WDC24
    Q80032-20BⅢ-QA63
    Z281-32CⅡ02   1只
    YG41-16L-8-25  
    Q8002-15BⅢ-DA52◆
    Q8002-20BⅢ-DA52◆
    【限位开关领库存】
    Z101-20BI02 
    Z131-15Ⅲ24
    C500-25Ⅲ24
    C7003-15II02
    C800-40BFⅢ02-B10◇ 
    C800-50BFⅢ02-B10◇   
    同左
    同左
    Z281-25BⅠ24-□"  1只
    BdZ281-32BFⅡ02  2只
    Z1753线圈,AC24V

    QJ65F-250P-10
    Z112-40RI24
    ZCB-15I02-D

    膜片组用于【ZDF-20】
    C8004-20BFⅣ04-B10
    0-10V..DC 
    Z131-50I04
    C600-20BⅢ24-□"
    BdZQDF-40BFI24

    1602防爆线圈  
    AAPPL
    BZ101-50BFII02-J 
    Z101-10BI04
    ZCF31-03Ⅳ02-1/8PB(-)
    ZCF-03Ⅳ02-1/8P
    同左
    C5003-15Ⅲ02-b
    线圈用于【ZBSF-50BFV  AC220】   20只
    ZCD-06BⅦ02
    BdZ281/33-04BⅠ24  6只
    Z281-15BⅠ02-6   2只
    Z292-25CFⅠ02-16  32只
    Z1753-06I24
    Z1753-06Ⅱ24
    同左
    Z101-15BI02-J
    Z111-03RⅡ02
    ZCM-03I24
    C8004-20BⅢ02-CG05-□" 
    YS-50LQ-B
    YS-65LQ-B
    同左
    BZQDF-25BFV02 
    ZBSF-65BFI24
    ZBSF2-65BFI24
    H44W-16P-65
    ZDF-50C(—)FI02
    Z291-40BFⅤ02-16  1只
    Z291-40BFⅤ02-16 线圈 1只
    Z271-15BⅠ24-200    1只
    Z271-20BⅠ02-64    1只
    Z291-06BⅢ02-16    1只
    YK43F-64P  DN20 
    同左

    QJ65F-250P-10
    同左
    Z271-15BI12-150-G3/8
    同左
    CS19W-25P-15
    Z112-25RI02-E
    Z111-06RI11
    Q41F-16R-32 

    Q41F-16R-40  

    Q41F-16R-50  
     
    Z121-25Ⅱ02-E
    Z121-15Ⅱ02-Eα
    Z121-20Ⅱ02-E
    CS41W-16P-20  
    BdZ281-20BⅠ24   4只
    BdZ282-20BⅠ24  4只
    电气接口NPT1/2,螺纹接口NPT3/4";接线盒防爆
    来货后做标牌
    YS-20LP(-)Q-□"
    BmZ101-15BFI02-J
    BmZ101-25BFI02-J

    自配1602-∑防爆线圈
    ZQDF-15FⅢ02-Y
    ZQDF-25F(-)Ⅲ02-Y
    Q80011-15BⅢ-QAD63
    阀芯组件用于
    【BZQDF-25BFV02 】
    BmZ111-25Ⅱ02
    Z121-03BⅡ24-1/8
    ZCF-03I24-P-1/8
    Z131-15I24-16a
    C600-20BⅢ24
    重点检测:阀体是否漏电,开关是否正常{检测50次开关}
    ZQDF-20F(_)Ⅲ02-Y
    ZCF2-03I24
    用于【YS-15】
    ZQDF2-20BFI24-25
    标牌底部打胶水
    BEST-05◇
    同左
    Z2CF-04I02-1/8
    C800-25BⅢ02-CG05
    C8004-50BFⅢ02-CG10
    CS49W-16P-32【GB2506】
    Z291-80BⅠ02-1.5   1只
    Z281/282-20BⅠ02    4只
    Z1753-04I24-4F组件/5套
    Z1133-1.5I24-1/4"

    YS-32RQ
    同左
    膜片用于【Z101-15I】  10只
    ZQDF-25FⅣ02
    A13X-16T  DN8
    Z131-15I01
    Z101-15I02
    Z101-25I02
    YF-25RP(-)Q
    YF-40RP(-)Q
    YF-50R(--)PQ
    膜片用于【Z131-25I】  4只
    ZQDF-15BI02-40

    冷水阀
    Z101-10BI-1/2-13WDC24
    热水阀
    Z101-10B-G-1/2-E-13WDC24
    BdZ271-15BⅠ24-40  1只
    BdZ272-25BⅠ24-40  1只
    Z101-25BII24-D
    Z101-40BII24-D 
    Z281-25CⅡ02-▽    1只
    Z111-06RI11
    BZ131-25I06
    ZF31-05BI24
    CS41W-16P-20  2只
    CS11W-16P-25  1只
    Z101-80BFⅡ02-E
    Z101-50BFⅡ02-E
    阀体用于【C600-15B】 20只
    ZQDF-40BI24-40
    YS41-10RQ-B
    Z271-04BI24-300   3只
    Z271-04BI24-400   1只
    Z271-06BI24-400   2只
    Z271-10BI24-150   1只
    C8004-125BFⅢ02-CG100
    C600-20BⅢ24-□"
    热水阀
    Z101-10B-G-1/2-E-13W AC24
    Z111-06RI11
    ZCA-06BV24-25
    ZCC6-2.5Ⅱ24
    Z121-08BI24
    Z131-10I02
    Z281-06BⅣ24-▽  1只
    Z271-15BⅠ24-50 12只
    Z272-15BⅠ24-50 6只
    同左
    C800-40BFⅢ02-◇
    C80031-32BFⅢ02-◇
    Z121-08BI24
    ZQDF-25BV24
    Z101-100BFI02
    C800-20BFⅢ02-25CG05
    C800-80BFⅢ02-25CG40
    Q41F-25P-100  
    Z281-25BⅠ24-□"  1只
    Z281-25BFⅠ24-□"
    BdZ281-03BI24   2只
    Z131-15I24
    Z121-20I24
    BmZ111-15RI24
    Z121-08I24

    Z121-15I24-D-α
    BdZBSF-250BFI24
    BZ101-50BFII02-J 
    ZCG2-25BFⅥ02
    Q41F-16R-32 

    Q41F-16R-40  

    Q41F-16R-50  
     
    Z111-03Ⅱ02
    ZQDF-25F(-)Ⅲ02-Y
    同左

    QJ65F-250P-10
    CS49W-16P-32【GB2506】
    C800-50BFⅢ02-B10◇   
    C600-20BⅢ24-&
    C600-15BⅢ24-&
    同左
    ZP77-20

    Q80032-40BFV- QHS110◆

    注意:【都要化工部标准的】
    DH14W-25R  DN25  1只
    F100-32B
    Z351-01BI02-250-1/4"-Ns
    YF-25RP(-)Q
    YF-15RP(---)Q
    BdZ281-32BⅠ24  1只
    BZ121-15BI24
    BZ1753-06I24-bn
    ZCG2-25BFⅥ02
    ZCG-25BFⅥ02
    Z101-50I24
    Z101-25I24
    Z101-03BⅡ24-J
    Z291-80BⅠ02-1.5   1只
    ZQDF-50BFV02
    ZCF-04Ⅳ24

    膜片组用于【ZDF-40】
    CS11W-16P-25  1只
    ZQDF-40BFⅢ02-∑
    同左
    Z281/292-15BⅠ02  2只
    BdZ291-25BⅠ02   2只
    BdZ291-32BⅠ02   1只

    阀芯组件【用于ZQDF-25BFV】
    BZ101-50BFII02-J 

    1602-3m防爆线圈  
    Q45F-16P-50
    YF-50RQ

    QJ65F-250P-10
    Z101-10BI04

    ZQDF-25BFV    AC254
    YG41-16C-DN25    16只
    Z131-20Ⅲ24
    Z131-25Ⅲ24
    C8004-40BFⅢ02-CG10
    Q45F-16P-40   1只
    J41W-16P-40   1只
    法兰来后,请李师傅去购买四氟垫片,螺丝
    Z511-40I02
    ZCF31-03Ⅰ24-Pb
    ZCF-03Ⅰ24-P
    Z131-20BI24

    Z111-06RI24
    ZQDF-25BⅢ24
    ZQDF-50BⅢ02
    同左
    YF-25RP(-)Q
    YF-40RP(---)Q
    Z1232-03I02
    同左
    C610-40CdI24
    CS19W-25P-15
    C7003-15II02
    ZQDF-25BV24

    C810-450CdⅡ02-10B200◇ 
    D371X-10C  DN450  1只
    C80032-80BFⅢ02-B50◇ 
    G45J-10  DN50 
    同左
    C800-50BFⅢ02-B10◇   
    YZ110X-16L-15   2只【316L】
    Z101-15BI02
    YZ110-25P  DN15
    同左
    Z281-40CFⅠ02   1只
    Z2
    81-50CFⅠ02   2只
    防爆电磁阀线圈用于【BZQDF-25BFV02】 
    YS-15LP(-)Q-□"
    YS-32LP(_)Q-□"
    ZDF-65C(_)FI02
    YS-40RQ
    Z101-25BI02 
    YZ110-16T-15
    YZ110-16T-25
    Z101-32BI02 
    YS-40RQ
    YS2-40RQ
    Z1753-04I24
    Z101-15Ⅱ02
    同左
    ZQDF-20BI24
    F100-20R
    Z281-25BFⅠ02-◇-D   9
    Z281-50BF02--D   1
    线圈用于【ZCF-25FI02-◇-D】
    接线盒用于【ZCF-25FI02-◇-D】
    BZ131-25I06
    Z112-15RI02
    ZBSF-65BFI24-∑
    ZQDF-25BFV24-∑
    Q80042-25BFⅢ-QA63
    Q80042-25BFⅣ-QA83 
    Z121-15Ⅱ02-Eα
    Z121-20Ⅱ02-E
    C800-06BⅢ24-250-B10□"
    Z281/292-15BⅠ02  2只
    BdZQDF-50BFⅢ02
    ZQDF-50BI02
    ZCD-06BⅦ02
    ZCF-03I24-P-1/8
    Z271-15BⅠ24-150  2
    同左
    同左
    J11W-25R DN15    1只
    J11W-25R DN25    2只
    Q12F-25R DN15   1只
    ZCF-02I24

    阀芯组件【用于ZBSF-25BFV】

    线圈【用于ZBSF-25BFV02】
    ZCF-04I24-□"【底部进水】
    Z131-15I24-16a

    Z132-15BI24-16
    BdZQDF-20LFV24
    BdZ2CF-20FI24
    Z41H-16C-32
    Q12F-16P-32
    ZQDF-50BF/6只装

    ZDF-80BF/1只装
    Z111-06RI11/50只装
    3C【A207H-16-32】/10只装
    ZQDF-50BF盒子【原1#盖塑箱】
    膜片组用于【Z101-20BI02】 
    阀盖 【用于ZQDF-25BFV   20只】
    阀芯【ZQDF-25BFV】
    C600-20BⅢ24-&
    C600-15BⅢ24-&
    同左
    Z1131-03RI12-1/4"
    Z131-15BI24-16
    Z131-15BI01
    Z131-25BI01
    C7003-15II02
    BZ1753-06I24-bn
    ZQDF-25BV02
    同左
    同左
    C8004-25CⅢ02-B05
    C8004-40CⅢ02-B05
    Z3CF-20U(—)Ⅱ02
    阀体用于【Q8102-50CdⅡ-DA75】
    BdZ281-25CFI02    2
    BdZ281-25CFI02    2只
    C8004-50RFⅢ02T-B20
    Q12F-16P-32
      DN40
    Z1732-15I02
    同左
    Z101-2.5II02-X 
    ZCG2-25BFⅥ02
    C800-40BFⅢ02-◇
    C80031-32BFⅢ02-◇
    C800-40BFⅢ02-◇
    C80031-32BFⅢ02-◇
    YG41-16P-20
    YF-25RQ
    YF-40RQ
    同左

    QJ65F-250P-10
    Z101-10BI04
    同左
    Z111-15Ⅱ04
    Z121-06Ⅲ24
    Z131-15I02
    ZQDF-20BⅤ02-DZ-@
    ZQDF-20BⅤ02-DZ
    CS11H-16C-20 
    Q8102-80C(_)dⅡ-QHS83
    Q8102-100C(_)dⅡ-10QHS83
    Q8102-150C(_)dⅡ-10SQH110
    C8104-450Cd02-10B200
    H44F-16P-15
    同左
    C8004-25CFⅢ02T-B05
    C800-25CFⅢ02-B05◇ 
    ZBSF-15BF02-Y
    CZ430 
    AC380-50HZ
    /AC440-60HZ 通用

    注意:需要测量电流:1-2A,范围内合格
    ZP77-15
    ZP77-20
    EV2210-010I24  
    C8004-32CFⅢ02-CG05
    Z292-50CFI02-6    2
    ZCB-15I02-D

    J41H-25C-25   1只
    J41H-16C-25   3只
    J41W-40P-50   1只【注意:RF面】
    法兰标准HG/T20592-2009
    YG41-16L-8-25  
    阀芯+阀盖用于【ZQDF-32BFV02 】
    ZCG-25BFⅥ02 
    C800-50BFⅢ02-B20◇-□"
    动作时间15S  
    ZCG2-25BFⅥ02
    YG41-5P   DN40  1只【CBM1012-81标准】
    Z111-06RI04-1/4"
    Q80011-15BFⅢ-QA75
    YG41-16P-25    2只【 GB2506-89】
    YG41-16P-32    1只
    【 GB2506-89】
    Z291-15BⅢ02-16    4只
    Q12F-16P-40【小体】
    YF-25RQ
    YF-40RQ
    Z111-03RⅡ02
    EV2210-010I24  
    同左
    C500-25Ⅲ02
    J41W-40P-25   4只【注意:RF面】
    法兰标准HG/T20592-2009
    CS49W-16P-32【GB2506】
    CS49W-16P  DN25   2只
    YG41-5P   DN40  1只【CBM1012-81标准】
    ZCF-03Ⅳ02-P
    Q8102-50CdV-QA75
    C800-50CFⅣ02-CG10
    BdC8004-32BⅢ02-CQ06
    同左
    YS-40LP(-)Q-□"
    Z101-25LⅡ02-V
    同左

    QJ65F-250P-10
    Z211-25BI02
    BdZ291-50BFI02-6   2只
    C800-25BFⅣ02-◇
    Z111-06RI02
    BZ121-15BI24
    Z111-03Ⅱ04
    YS-25RQ
    ZQDF-32BFV02
    Z2CF-10I02-◇
    Z2CF-15FI02-◇
    Z2CF-25FI02-◇
    Z2CF-40FI02-◇
    CS49W-16P-20
    YG41-16P-20
    同左
    Z281-04BⅠ24-10  1只
    Z271-03BⅠ24-200  1只
    同左
    Z111-15I24-X
    Z111-20I24-X
    C800-150CFⅢ02-CB120◇F46-□" 


    膜片组用于【Z101-10BI-1/2-13WDC24】

    膜片组用于【Z101-10B-G-1/2-E-13WDC24】
    C800-40BⅢ02-CG05
    Z111-06RI02
    Q80011-50BFⅢ-QAD115
    Q80011-40BFⅢ-QAD100
    Q80011-25BFⅢ-QAD88
    BZ1753-06I02-bn
    ZCM-03I24
    01白瓦楞盒子用于【Z101-15B】
    盒子用于你【YS-15】
    H44H-16C  DN80  3只
    Z271-15BI12-150□"
    Z281-40BⅠ24-▽
    Z121-03BⅡ24-1/8
    ZCF-03I24-P-1/8
    Z151-25Ⅳ24
    YF312-40RQ
    C800-25CFⅣ24-B05
    ZQDF-40BFⅢ02-∑
    Z1133-2.5RI24-1/4"
    同左
    ZQDF-50BFV02
    YF-65RQ-φ100
    CG-10◇   DC24
    Z291-15BFⅠ24-16
    BdZ271-15BV02-64
    BdZ281-15BI02   2
    BdZ291/292-15BI02   1只
    Z291-50BFⅤ24-16   1
    Z291-40CFⅠ02-6  1
    Z291-50CF02-6  1

    冷水阀
    Z101-10BI-1/2-13WDC24
    热水阀
    Z101-10B-G-1/2-E-13WDC24
    Z111-06RI11
    C7003-15II02
    Z101-10BⅡ02
    Z101-15BⅡ02
    Z101-25BⅡ02
    Z131-15I24
    Z121-08Ⅲ02
    Z101-40BII24-D 
    YF-50RQ
    YF-40RQ
    YF-25RQ
    YF-40RQ
    ZQDF-25BFⅢ02-Y
    同左
    Q45F-16P-50
    C800-40BFⅢ02-◇
    C80031-32BFⅢ02-◇
    Q41F-16R-32 

    Q41F-16R-40  

    Q41F-16R-50  
     

    QJ65F-250P-10
    CS49W-16P-20
    YG41-25P-DN20
    Z112-25Ⅰ24
    C600-20BⅢ24
    重点检测:阀体是否漏电,开关是否正常{检测50次开关}
    C8004-25CFⅣ02-CG05
    Q8002-150CFⅣ-QAS210
    Z101-15I02
    Z101-25I02
    C800-50BⅣ 02-CG10α
    C800-40BⅣ 02-CG10α
    C800-20BⅣ 02-CG05α
    C80031-32BⅢ24-CG05◇
    C800431-32BⅢ24-CG05

    T型C入口-2
    Q80011-50CFⅣ-QAD130
    J41F-16C  DN40  3只
    YG41-16C  DN40  1只
    ZF34-04BI24-Q1
    铁芯弹簧用于【ZCA-15BⅠ02-64】
    H12W-64P  DN25  1只

    Q80032-25BFV- QHS110◆
    C600-20BⅢ24-&
    C600-15BⅢ24-&
    同左
    Q12F-16P-15
    同左
    BZ1753-06I24-bn
    同左
    BdZQDF-15BFⅢ02
    BdZQDF-20BFV02
    BdZQDF-50BⅢ02
    BdZQDF-25BⅢ02
    YS-50RQ-S
    YF-50RQ-S  7只
    YF-50RQ-D  7只
    Z121-03BⅡ24-1/8
    Z121-08BⅢ02
    ZCF-03I24-P-1/8
    ZCF-03Ⅲ24-1/4"NPT
    ZCF31-03Ⅲ24-1/4"NPT
    Z1753-04I24
    Z1753-04I02
    YF312-40RQ
    同左
    ZQDF-25RFV02
    ZQDF-40RFⅢ02
    Q41P(_)-16P-40
    YG41F-16R-100-25
    CS49W-16R-25 
    Z291-25BⅤ24-6
    Z271-04BI02-40  1只
    Z271-05BI02-40  3只
    YS-40RQ
    YS2-50RQ
    Z112-25Ⅰ12
    Z41H-16C-25 
    同左
    Z1753-10I24
    H14F-16P-15    1只
    Q13P(—)-64P-15  6只
    Q13W-100P-15   2只
    -64P-15    1只
    同左
    QAD-92-□"
    热水阀
    Z101-10B-G-1/2-E-13WDC24

    冷水阀
    Z101-10BI-1/2-13WDC24
    Z111-06RI11
    YS-25LQ
    阀芯和组件用于【ZQDF-50BFV】
    Q41F-16R-32 

    Q41F-16R-40  

    Q41F-16R-50  
     
    YS-50RQ-D
    用于
    Q80011-50BFⅢ-QAD115
    Q80011-40BFⅢ-QAD100
    C800-50CFⅣ02-CG10■
    Z131-15BI24
    Z1131-03RⅡ24-1/8
    ZF31-04BI24
    ZCG-50CFⅥ02
    Z101-25RI02
    ZQDF-20BI02
    同左
    ZCF-02I02-1/8
    ZQDF-20BFⅢ02-DZ
    Z281-25BFⅠ02-◇-D  5
    Z291-15BFⅠ24-16   10只
    Z101-25I02

    Z111-06RⅡ24-E-1/4"
    Z101-10I04
    Z141-03I24-A-Y410
    C9001-50UFI02   2只
    C9002-15UI02     2只
    Z101-10II02 
    Z3CF-20U(—)Ⅱ02
    ZQDF-50BFI02
    ZQDF-20F(_)Ⅲ02-Y
    J41W-16P-32  2只
    塑封线圈ZQDF-25F-Y
    Z3CF-40UI02
    A207H-16-32用盒子

    Z101-10B/50只装
    ZQDF-25BF /1只装
    ZQDF-25盒子
    3C【A207H-16-32】/10只装
    样本箱
    ZQDF-20BFⅢ02-DZ

    Z111-06RI24
    021-1/2
    阀芯组件用于【ZQDF-50BFV 】   5只【活塞尽量小】
    动铁芯弹簧用于【ZQDF-25BV】  100只  
    Z271-15BⅠ24-64 8
    Z272-15BⅠ24-
    64 4
    Z271-04BⅠ24-40 4
    Q45F-16P-40   1只 
    同左

    C800431-65CFⅢ24-CG20

    T型C入口-2
    Z101-25BI02 
    Z111-06RI04-1/4"
    Z101-09BI24-0-1/2
    L41H-16C  -15    1只
    【GB2506-89】
    L41H-16C  -32    1只
    【GB2506-89】
    ZCD-06BⅦ02
    A13X-16T  DN8
    密封件用于【Q80011-15BFⅢ-QA75】
    同左
    Z101-15BI02-J
    BZQDF-15BI02
    YF-25RQ
    YF-40RQ

    Z1753-04I02-6F组件

    Z1753-04I01-6F组件
    YF-50RQ
    YF-40RQ
    ZQDF-40BFⅢ02-∑
    021-1/2
    ZCG2-25BFⅥ02
    Z121-10BⅢ24
    YF-65RQ-R100-S
    H14W-16P-32  2只
    Z111-06RI02
    同左
    ZCF-02I02-1/8
    同左
    Z292-100CFⅠ02-25
    BdZ281-15BFⅠ02-▽  3只
    BdZ281-15BFⅤ02-▽  3只
    BdZ271-15BI24-200
    Z101-2.5II02-X 
    Z101-03Ⅱ02-J
    021-1/2
    ZQDF-15BFⅢ24-∑
    C800-40BFⅢ02-◇
    C80031-32BFⅢ02-◇
    L41H-16C  -32    3只
    【GB2506-89】
    CS49H-16C-32  2只
    GB2506-89
    热水阀
    Z101-10B-G-1/2-E-13WDC24
    Z281-25BFⅠ02-◇-D线圈 
    10
    BdZ281-15BFⅠ02-16  13只
    C8104-450Cd02-10B200
    同左
    同左
    C8004-25CFⅢ02T-B05
    C800-25CFⅢ02-B05◇ 
    ZBSF-15BF02-Y
    CZ430 
    AC380-50HZ
    /AC440-60HZ 通用

    注意:需要测量电流:1-2A,范围内合格

    C810-450CdⅡ02-10B200◇ 
    D371X-10CC1  DN450  1只
    YG41-16P-20
    G45J-10  DN50 

    QJ65F-250P-15
    QJ65F-250P-10
    Z1753-04I02-9F组件
    防爆线圈用于【BZ101-100BFII02-J 】
    Z101-20BI02 
    ZF33-06BI02-Q1
    Z101-25RI02
    ZCG2-25BFⅥ02
    BdZQDF-50BFI24
    ZQDF-32BFⅢ02
    线圈用于【ZBSF-50BFV】AC220 
    1624-∑防爆线圈  长期通电
    Z101-20I02-Y
    ZBSF-65BFI02
    ZBSF-80BFI02
    ZBSF2-100BFI02
    Z3CF-25UI02-10-□"
    Z3CF2-25UI02-10-□"
    Z3CF-15UI02-10-□"
    Z3CF2-15UI02-10-□"
    BZ131-25I06
    ZCF31-06I24
    DQ63F-25P DN40   3只【3PC承插焊球阀】
    DQ13F-25P DN10   2只【3PC内螺纹球阀】
    Z292-20BFⅠ02-16  1只
    Z181-15A(_)I02
    Z112-25I12
    ZCM-03I24
    同左
    Z111-03RⅡ02
    Z101-32BI02 
    ZQDF-50F盒子【原2#盖塑箱】
    C7003-15II02
    Z101-32BI24-J
    YF-50RQ
    YF-40RQ
    ZQDF-40BF02-Y
    BZ101-25RⅡ24 
    C5003-15Ⅲ02
    ZF31-04BI24-Q1`
    Q8002-20BⅢ-QAS63
    C800-32BⅢ24-100CG20◇
    Z351-03BI24-60
    Z101-15BI02-∑
    YF-25RQ
    YF-40RQ

    QJ65F-250P-15
    QJ65F-250P-10
    SYK-25B-□"

    冷水阀
    Z101-10BI-1/2-13WDC24
    热水阀
    Z101-10B-G-1/2-E-13WDC24

    冷水阀
    Z101-10BI-1/2-13WDC24
    ZP77-15
    -300-15
    C800-50BFⅢ【阀体】
    Z1133-2.5RI24-1/4"
    Z121-03I12-1/8
    BdZ281-25CFⅠ02   2只
    YS-40LQ
    YF-15RQ
    C800-50CFⅣ02-CG10■
    ZCG-80BFⅥ24
    EV2210-010I24  
    BdZQDF-15BⅢ24
    C80031-32LFⅢ02T
    H44W-16L-32
    H44W-16L-80
    Z41W-16L-32
    Z41W-16L-80
    Z101-03I02-J
    ZCF-25I02
    YG41-25C-80  40目  20只
    球阀一批【王晶有清单】
    同左
    同左
    同左
    YG41-16C-DN25   
    Z121-02BⅢ24
    Z131-15I24
    Y43W-16P-15  1只
    Y42X-16P-25   1只
    阀芯密封垫用于【YS-50RQ-S】
    BdZ291-25CFⅤ02   10只
    BdZ281-32BFⅡ02  2只
    A13X-16T-8-0.69
    法兰来后,请李师傅去购买橡胶垫片,螺丝

    阀杆【用于ZQDF-50BV】         6只
    阀杆【用于ZQDF2-40BV常开】    6只
    Z131-15I01
    Z231-25BⅡ02
    YF-65RQ-R100-S
    Z272-15BⅠ24-64 1
    C800-25CFⅣ02-B05◇-□"
    动作时间10S
    接线盒用于【Z2CF-04I02-1/8】
    同左
    QJ11F-160P  DN15 [M22*1.5]
    QJ11F-160P  DN32 [ M48*2 ]
    Q41F-16P  DN65  2只【外圆180mm】
    YG41-16P  DN65  1只【外圆180mm】
    Z132-15I24-16a
    Z131-15I24
    Z291-20BV02-6   2只
    Z271-06BI24-500   2只
    Q12F-16P-10
    Z101-15I24-J
    Z101-25I24-J
    Z101-06I24-J
    Z391-15I24
    Z392-15I24
    Y42X-16C-25    1只【法兰外圆115毫米】
    中英文标牌`
    阀芯组件用于【ZQDF-15RV】 5只【蒸汽用】
    另配该阀芯上的动铁芯弹簧  20只
    Q41F-16R-32 

    Q41F-16R-40  

    Q41F-16R-50  
     
    YF312-40RQ

    Z1753-04I01-6F组件
    Z101-15I02
    Z101-25I02
    Z111-40RⅡ02
    Z111-25LI02
    ZQDF-32BⅢ02
    Z1133-1.5RI24-1/4"
    Z271-15BI12-150□"  6只
    注意:接口为 G3/8
    Z281-15BⅠ02-▽   5只
    塑封线圈ZQDF-25F-Y
    CJ-40BV03
    BdZ2621-80BFⅠ02-□"  1只
    C800-32BⅢ02-CG05◇   
    C500-15Ⅲ24-1/4" 
    Z121-03BⅢ24
    Z121-08BⅢ24
    CS19W-16P-40
    021-1/2
    ZF31-04BI24-□"
    ZCF-04Ⅳ24-G1/4"
    Z271-20BI24-150  1只
    Z111-32RI02
    Z102-25BI02
    BC800-40BFⅢ02
    Z41H-16C-80   8只
    Z41H-16C-100  4只
    -80-40   3只
    -80-50   1只
    Z1133-1.5RI24-1/4"
    YS-25LQ
    Z101-03I02-J
    ZF32-04BI24-Q1`
    Z391-15I01
    热水阀
    Z101-10B-G-1/2-E-13WDC24

    冷水阀
    Z101-10BI-1/2-13WDC24
    YF-50RQ-S  5只
    YF-50RQ-D  5只
    ZQDF-25LⅢ02
    线圈【Z102-15】
    Z2CF-25FI02-◇
    使用江南阀门的标牌
    Z291-25CFI24    4只
    Z282-02BV24-02    1
    Z281-02BV24-02    1
    Z271-05BI24-200   6只
    ZQDF-25F(-)Ⅲ02-Y
    Y42X-16P-25   3只
    CS49W-16P-20
    YG41-16P-20
    阀体用于【ZF31-04BI24-□"】
    ZBSF2-125BFI02-&
    BZQDF-50BI02
    YS-25RP(_)Q
    Q10F-160P-20
    Q10F-16P-20
    -100  DN20

    Z111-06RI24
    Z101-10BI04
    Z291-80CFI02-6   1只
    Z101-15Ⅱ02

    QJ65F-250P-15
    ZF33-06BI02-Q1
    C800-32BFⅢ02-CG05◇   

    YG11-160C-100  DN20
    以上过滤器另配200目滤网1只
    H12W-64P  DN20  1只
    ZCM-03I24

    QJ65F-250P-10
    YF-50RQ
    YF-65RQ-R100
    -40  1只
    Z101-40I04-J 
    Z132-10BⅢ24
    Z131-10I02
    Z131-15Ⅲ24
    ZCD-10BⅦ24-40
    C800-40BFⅢ02-◇
    C80031-32BFⅢ02-◇
    YF-50RQ
    YF-65RQ-R100
    C8004-40BFⅢ02-CG05
    C910-125UdI02-CG10  
    C800-20BFⅢ02-25CG05
    C800-80BFⅢ02-25CG40
    A13X-16T-15-6.6
    4/3下单:
    CS19H-16C-25  10只
    注意:【要Y型】
    Z111-20Ⅱ02-Y
    H12X-16T-15  4只
    BdZBSF-25BFV02
    热水阀
    Z101-10B-G-1/2-E-13WDC24

    冷水阀
    Z101-10BI-1/2-13WDC24
    Z111-06RI11
    C600-20BⅢ24
    重点检测:阀体是否漏电,开关是否正常{检测50次开关}
    C7003-15II02
    BZ1753-06I24-bn
    Z132-20I24-16
    C800-100CFⅣ02-CG50◇
    Z41H-16C-100
    Q45F-16P-40   
    ZQDF-25BFV02
    Z811-15I15
    BZ131-25I06
    用于【YS-50RQ-S】
    ZQDF-50BⅢ24
    ZQDF-40BFⅢ24
    ZQDF-40RFⅢ24
    ZQDF-25RFⅢ24
    Z3CF-15UFI24
    YS-15RQ-S
    接头用于【ZF31-04BI24-□"】
    注意:两端螺纹底部都要平端面的
    阀体用于【C9002-15UI02】     1只
    密封件用于【Q80011-15BFⅢ-QA75】
    Q80011-15BFⅢ-QA75◆
    【领库存的回讯器装好
    执行器底部卡环用于【YS-50RQ-S】
    Z1753-04I02-9F组件
    【电磁阀减库存】
    Z131-25BI02
    Z121-08I24

    冷水阀
    Z101-10BI-1/2-13WDC24
    4/8下单:
    CS19H-16C-15  6只
    注意:【要T型的】
    CS19W-25P-15
    Z101-20BI02-Y
    4/10下单:
    膜片组用于【Z101-15】   20只
    膜片组用于【Z101-25】   20只
    膜片组用于【Z101-50】   20只  
    Z111-25RI02
    ZF31-04BI24-Q1`
    Z101-2.5II02-X 

    Z1753-04I01-6F组件
    ZDF-50C(—)FI02
    ZDF-80C(_)FI02
    YF-65RQ-R100-S
    Z291-15BⅠ24-16   2只
    Z292-15BⅠ24-16   1只
    Z271-01BⅠ02-63   3只
    Z272-01B02-63   2只
    Z272-05BⅠ02-63   3只
    C600-20BⅢ02
    Q41F-150LbP 1"
    Z102-10BⅡ24-J
    Z102-25BI02
    Z101-25BI02 
    C810-300CFⅡ02-CG100
    ZBSF-65BFV02-∑
    C8004-50RFⅢ02T-B20
    Y43W-16P  DN25   1只
    阀杆用于【YS-50RQ-S】
    CS11H-16C-20 
    C9004-20UI24-CG05
    C600-20BⅢ24-&
    C600-15BⅢ24-&
    C9002-40UZI02    2只
    C9002-25UZI02    2只
    同左
    EV2210-010I24  
    021-1/2
    ZCA-15RI24-&◇
    ZXJ13W-16R DN15  6只
    C80032-32BFⅢ01-B05
    Q80041-50CFⅣ-QAS92
    Z2CF31-06I02
    热水阀
    Z101-10B-G-1/2-E-13WDC24

    冷水阀
    Z101-10BI-1/2-13WDC24
    Z111-06RI02
    C500-15Ⅲ24-1/4" 
    -25
    线圈用于【ZBSF-25BFV02】AC220   
    线圈用于【ZQDF-40BI24-40】
    YF-50RQ-S  5只
    YF-50RQ-D  5只
    Z131-15I24
    Z121-10Ⅲ02-0
    完全直动式

    Z111-06RI24
    Z111-06RI11
    Z101-10I24
    TZZ101-10Ⅱ24
    Z132-20I24-16
    Z132-15I24-16a

    Z1753-04Ⅱ01-2F组件
    ZQDF-40BⅢ02-&∑
    BZ1753-06I24-bn
    同左
    Z102-06BII02
    Z291-20BV02-16   2只
    BdZ291-15BⅠ24-16   3只
    ZQDF-20BFⅢ02-DZ

    QJ65F-250P-10
    日标过滤器 YG41-16P   DN32

    国标过滤器 YG41-16P   DN25【国标外圆115】  
    Z351-01BI02-250-1/4"-Ns
    A13X-16T-8-0.2
    Z112-03RI24-□"
    两头外丝1/4"接头   20只
    Z111-15I24-X
    Z111-20I24-X
    Z811-15I15-□"
    整体塑料的
    Z90N-10  DN350
    Z101-50BI24-J
    Z131-15I24
    Z121-05Ⅲ24
    完全直动式
    Z1753-10I02-bn
    Z1753-15I02
    注意:发货使用安徽立峰机电 的标贴和型号
    蝶阀DF810-150CC1dⅡ-10-W   
    蝶阀DF810-250CC1dⅡ-10-W   
    蝶阀DF810-350CC1dⅡ-10-W   
    蝶阀DF810-450CC1dⅡ-10-W   
       
    蝶阀DF810-700CC1dI-6-W 
    C800-40BFⅢ02-◇
    C80031-32BFⅢ02-◇
    ZDF-15I02
    Z711-03I24
    Z102-15Ⅱ02-Y
    Q8002-50CFⅢ-QAS92
    BdZ281-06BⅠ02-6   4只
    BdZ281-06BⅠ□"-6   4只
    BdZ291-50BF24-◇   1
    BdZ291-65BF24-   3
    BdZ291-80BF24-   1
    BdZ291-100BF24-   1
    H44W-16P-50
    H44W-16P-65

    ZDF-80BF/1只装
    3C【A207H-16-32】/10只装
    盒子用于【Z111-06R】
    盒子用于【Z101-10B】
    盒子用于【A207-16-32 ,YS-25】
    ZQDF-25BI02
    Z271-15BⅠ24-64 2
    Z272-15BⅠ24-64
    1
    Z811-15I15
    Z121-08I02-0-α
    Z121-15BI02-0
    Z122-08Ⅰ02
    Z121-10BⅢ24-0
    Z101-20I02 
    YS-50RQ-D
    Z2CF-65FI03
    Y42X-16P-25   1只
    Q41F-16R-32 

    Q41F-16R-40  

    Q41F-16R-50  
     
    Z111-03RⅡ02

    QJ65F-250P-10
    YG41-16P-25    2只【 GB2506-89】

    ZCF31-03I02
    QW8102-100BdⅡ-E
    ZCM-03I24
    C8004-50RFⅢ02T-B20
    A13X-16T-8-7.5
    Z101-15BII24
    Q8002-15BⅣ-QA52
    YS-15RQ
    G2001-100BF-550
    热水阀
    Z101-10B-G-1/2-E-13WDC24

    冷水阀
    Z101-10BI-1/2-13WDC24
    20目滤网【YG41-16L-20-25】  
    YG41-16L-20-25 
    YG41-16L-40-25
    阀盖密封圈用于【ZQDF-40BFⅢ02-∑】
    C910-65UdI02-CG05
    C8104-450Cd02-10B200
    中英文标牌

    C810-450CdⅡ02-10B200◇ 
    D371X-10CC1  DN450  1只
    中英文标牌
    Y42X-16C-25    2只【法兰外圆115毫米】
    Y42X-16C-20    2只【法兰外圆105毫米】
    中英文标牌
    C8004-25CFⅢ02T-B05
    C800-25CFⅢ02-B05◇
    中英文标牌
    ZBSF-15BF02-Y
    中英文标牌
    CZ430 
    AC380-50HZ
    /AC440-60HZ 通用
    中英文标牌

    注意:需要测量电流:1-2A,范围内合格
    H44F-16P-15
    英文标牌
    G45J-10  DN50
    中英文标牌
    Z1753-04I02-9F组件
    中英文标贴
    Q81012-200CR1dⅡ02-10QH160 
    蝶阀 DF810-300CR1dⅡ-10-W 
    5/4"下单:

    Y43H-16C-150   2只
    木箱包装,每只一个木箱
    5/4"下单:

    Y43H-16C-150   2只
    木箱包装,每只一个木箱
    Z101-100CFI24-J
    YG41-16C  DN100  80目
    Q12F-16P  DN15  29只【蓝色手柄套】
    Q12F-16P  DN25  11只【黄色手柄套】
    同左
    膜片+动铁芯组件用于【ZCF-25FI02-◇-D】
    Z1753-06I02-bn
    用于【YS-50RQ-S】
    ASCO电磁阀
    SCG531C001MS  AC220   4只

    要贴在气动阀汽缸上【板式的】
    热水阀
    Z101-10B-G-1/2-E-13WDC24

    冷水阀
    Z101-10BI-1/2-13WDC24
    Z291-25BⅤ24-6
    BdZ291-20BFⅠ24-25
    来货后,请李师傅购买法兰/螺栓/垫片
    阀盖密封圈用于【ZQDF-50BFV】
    ZCD-06BⅦ02

    Z101-15BI02-13W
    C8004-32BFⅢ02T-B05
    BdZQDF-25BFI24
    C600-20BⅢ24-&
    Z1753-10I02-8F组件
    AFC2000  20只
    BFC3000   1只
    -40  1只
    Q80032-50BⅢ-QA92
    膜片用于【ZDF-150F】   10只
    注意:不是膜片组

    Z111-06RI24-W
    ZCA-10BⅡ24-EDY-1/2
    Z111-40RI02
    BdZQDF2-20BI02-◇ 
    BmZ1753-15I02
    自配0902防暴线圈
    C9002-40U(—)ZⅡ02   2只
    C9002-50UZI02    2只
    阀芯组件用于【ZQDF-20RV】【蒸汽用】
    热水阀
    Z101-10B-G-1/2-E-13WDC24

    冷水阀
    Z101-10BI-1/2-13WDC24
    Z101-40Ⅱ02-E
    BdZBSF-15BFV02

    Z111-06RI24
    Z111-06RI11
    ZDF-50C(—)FI02
    YF-25RP(-)Q
    YF-40RP(-)Q
    YF-50R(--)PQ
    Q8102-80CB1dV-QA92◇
    Q8102-100CB1dV-QA92◇
    Q8102-150CB1dV-QA130◇

    来货以后自配回讯器【普通型】
    ZCC8-03Ⅱ02-1/8
    5/10下单:
    Q12F-16L
    ZXJ13W-16L-15
    H14W-16L-25
    等一批26只
    小卞那里有清单
    C600-20LⅢ02
    C600-15LⅢ02
    YS-50RQ-S-□"
    SC300-16P-50
    J41W-16P-32  2只
    Y42X-16C-25   1只【法兰外圆115毫米】
    BdZ291-50CFⅤ24-16  5只
    Z271-25BⅠ02-150   4只
    C600-20BⅢ24-&
    C600-15BⅢ24-&
    Q12F-16P-15
    膜片用于【Z131-15I】
    BEST-05◇
    采用TH16填料函
    YF-50LQ

    YF-40LQ
    D371X-10CC1  DN450  1只
    中英文标牌
    C600-20BⅢ24
    重点检测:阀体是否漏电,开关是否正常{检测50次开关}
    C800-40RFⅢ02-CG05◇
    C80031-32RFⅢ02-CG05◇
    EV2210-010I24  
    021-1/2
    C600-20BⅢ24-&
    C600-15BⅢ24-&
    Q12F-16P-15
    ZP77-20
    Y42F-16P-15    1只【普通标牌】
    Y42X-16C-15    3只【普通标牌】
    Y42F-10C-150  1只【中英文标牌】
    G45J-10  DN50
    中英文标牌
    ZBSF-15BF02-Y
    中英文标牌
    C800-15CFⅢ02-CG05◇
    C8004-15CFⅢ02T-CG05
    中英文标牌
    YG41-16P-20
    BE-120  AC380
    Z101-15I02
    Z101-25I02
    Z111-32RI02
    Z111-40RI02
    Q80032-20BⅢ-QA63
    Q12F-16R-25   1只
    Z101-20I24
    Z102-20I24
    C600-20BⅢ24-&
    C600-15BⅢ24-&
    Z292-100CFⅠ02-25
    Z271-20BFⅠ02-40   4只
    Z281-15LⅢ24-▽   1只
    Z282-20LⅠ24-▽   2只
    Z291-15BⅦ02-16   2只
    Z291-20BⅦ02-16   1只
    BdZ291-50BⅠ24-16  1只
    同左
    手轮用于【C600-20BⅢ24-&】
    ZQDF-15BI02
    Z121-20I02-D
    ZP77-25
    DF810-125CB1dI-10
    5/18下单:
    CS49H-16C-20~50    54只
    FHPQ41P(_)-16P-100
    FHPQ41P(_)-16P-40
    FHPQ41P(_)-16P-32
    FHPQ41P(_)-16P-25
    Z1132-03I24-1/8
    阀芯用于【ZQDF-25BFV】
    Z101-40I04-J 
    YS-50RQ-S   8只
    YS-50RQ-D   8只
    Z101-09BI24-0-1/2
    H11F-16P-25  2只
    ZQDF-50BFⅢ02 
    YZ110X-16T-20
    Z112-03I24-□"
    Z101-03Ⅱ02-V
    Z101-15Ⅱ02-V
    H44W-16P-32  8只
    YG41-16P-32  8只
    BdZQDF-50BFI24
    Z291-25BⅠ02-16    2只
    标牌型号:Z231-25BⅡ02-□"
    BdZ271/272-15BⅠ24-100-1/2NPT    1只
    Z101-03II24-X 
    ZBSF2-80RFI02
    Q13F-64C  DN50(三片式螺纹)  2只
    Q41F-16C  DN80(法兰)        2只
    Q41F-16C  DN125(法兰)       1只
    注意:【化工部标准,手柄带保护套】
    ZCC6-2.5Ⅱ24
    Z3CF-20U02
    C8004-20BSI02T
    【正规型号:C8004-20BⅢ02-CG05】
    Z101-09BI24-0-1/2
    C600-20BⅢ24
    重点检测:阀体是否漏电,开关是否正常{检测50次开关}
    C800-65CFⅣ02-□"
    动作时间:9秒 
    Z43Y-350P-50   2只
    Z112-25RI02
    Z101-15BⅡ24-D
    Z101-25BⅡ24-D
    线圈用于【ZCA2-15BI02-64】  1只
    Z101-65CFI02
    紫铜管卡套接头  3/8-φ10   30只
    3/8平顶消声器              30只
    DF810-125CB1dI-10
    YF-50RQ-S  5只
    YF-50RQ-D  4只
    Z111-25I02-M
    BdZQDF2-20BI02-◇
    BdZQDF-20BI02-◇
    Z111-06RI04-1/4"
    YG41-16C-125   12只
    日标过滤器 YG41-16P   DN32 
    Z101-10BI04
    YZ110X-16R-15   2只【316】

    Z1753-04I01-6F组件
    Q12F-16R-15   2只
    Q12F-16R-25   1只
    Z111-32RI02
    Z112-32RI02
    C8004-32RⅣ02-□"
    注意:0-10V.DC
    Z291-15RI02
    MBdZ272-05RⅠ24-300  1只
    MBdZ272-05RⅠ24-16   1只
    Z271-15BⅠ24-150  2只
    Z271-05BI24-200   6只
    TZ272-06BⅠ02-150  1只
    Z101-15I24
    【配510线圈】
    膜片用于【ZDF-50C(—)FI02】
    阀体用于【ZCA-15BI02-100】  4只
    ZCF-02I24-P-1/8  2只
    ZCF-03I24-P-1/8  9只
    Q8002-100CFⅢ-QHS127
    Z1753-06I24-bn
    ZCA-10BⅡ24-EY-1/2
    同左
    Q41F-150LbP 1"
    ZQDF-25F(-)Ⅲ02-Y
    C800-40BFⅢ02-◇
    C80031-32BFⅢ02-◇
    ZCF-06I24-Y
    【我自配510线圈】
    BdZ291-50CFⅠ02-16&  2只
    Z271-15BⅠ24-40    4只
    Z1753-15I04
    BZDF-50(—)CFI04
    H14W-16P  DN15   97只
    C7003-15II02
    阀芯组件用于【ZQDF-20BV】【蒸汽用】
    Z111-20RⅡ24-E
    Z111-40RI24-E
    同左
    膜片用于【ZCF-25FI02-◇-D】
    H12W-16P-15  3只
    EV2210-010I24  
    021-1/2
    CS49H-16C-20  4只
    YG41-16C-DN20  
    YS-15LP(-_)Q-□"
    Q80011-80CFⅣ-25QHD160&
    BdZ291-125CFⅠ24-6□"  1只
    Z271-08BI24-500  1只
    Z271-08BI24-64   1只
    BdZ291-40BFⅠ03-150Lb  2只
    BdZ291-50BFⅠ03-150Lb  4只
    Z111-40RI24-E
    C800-40LFⅢ02-B05◇
    C80031-32LFⅢ02-B05◇
    阀盖密封圈用于【ZQDF-50BⅢ】
    BEST-50◇
    C8004-20BFⅣ04-B10
    0-10V..DC 
    ZQDF-20RV02-DZ    3只 
    阀盖组件用于【ZQDF-20RV】【带隔磁管】  10只
    YS-15LQ
    Z112-25I12
    Z112-25I24
    J11W-25P-32   12只
    J11H-25C-40   8只
    J41H-16C-80   3只
    一个木箱包装
    U41SM-16C-100  8只
    6/7下单:
    手动球阀Q41F-16P-15  1只
    止回阀H44W-16P-25    2只
    手动闸阀Z41W-16P-25  4只
    Y型过滤器YG41-16P-25  1只

    阀体用于【Q80011-50CFⅢ-QA105F46◆】  1只
    C910-65UdI02-CG05
    BdC800-25BFⅣ24-CQ06
    ZQDF-15BV02 
    6/9下单:
    2PC丝扣球阀Q12F-16L-8  4只
    6/9下单:
    H71H-10C-40   2只
    H71H-10C-50   1只
    Q41F-16C-40   6只
    YG41-16C-40   1只
    ZDF-40C(—)FI02
    ZDF-50C(_)FI02
    BEST-05◇
    采用TH16填料函
    52}XM(~AVJ_0RF(GP[B91}T

    Z111-06RⅡ24-EDW
    ZCA-10BⅡ24-EDY-1/2
    BdZQDF-25BFI24-□"
    Q8002-15BⅢ-QA52
    H12W-16P-15  4
    Z351-01BI02-250-1/4"-Ns
    C8004-50BⅢ02-CG10
    C8004-32BⅢ02-CG05
    防爆黄铜填料函  
    YF-15RQ
    YG41-16L-20-25 
    YG41-16L-40-25
    BZ101-65BFII02-J 
    热水阀
    Z101-10B-G-1/2-E-13WDC24
    Z111-06RI11

    Z111-06RI24
    Z112-25RI02
    Z101-09BI24-0-1/2
    H44W-16P1-15   2只
    YG41-16P1-80   1只
    YG41-16P1-65   1只
    不锈钢
    H14W-16P-25  1只
    H12W-16P-25  2只

    冷水阀
    Z101-10BI-1/2-13WDC24

    冷水阀
    Z101-10BI-1/2-13WDC24
    热水阀
    Z101-10B-G-1/2-E-13WDC24
    Z111-06RI11
    C600-20BⅢ24
    重点检测:阀体是否漏电,开关是否正常{检测50次开关}
    C600-20BⅢ24-□"
    ZCF-02I02-1/8
    同左
    阀盖和阀座之间的密封件用于
    【Z3CF-20U(—)Ⅱ02】
    H11F-16P-25  2只
    用于更换【Q8002-15BⅢ-100QA75】
    换后型号为【Q80011-15BⅢ-100QA83】
    C600-20BⅢ24-&
    C600-15BⅢ24-&
    Q12F-16P-15
    ZCF-03Ⅲ02
    ZCF31-03I02
    Z101-15I02
    Z101-25I02
    阀盖密封圈用于【ZQDF-25BFV02】
    Q10F-160P-20
    Z101-25BI02 
    Z111-40RⅡ02-V  6只
    Z111-32RⅡ02-V  3只
    Z111-25RⅡ02-V  2只
    Z111-15RⅡ02  2只
    Z112-15RⅡ02  1只
    Q80032-20BⅣ-QA63
    C8004-50RFⅢ02T-B20
    活塞密封件用于【ZBSF-50-1 】   10只 

    1602-∑防爆线圈  长期通电
    CS19W-25P-15
    BZ131-25I06
    Z111-06RI04-1/4"
    Z101-09BI24-0-1/2
    Q8002-15BFⅢ-QA52
    Q8002-20BFⅢ-QA63
    Q8002-25BFⅢ-QA63
    Q80031-20BKⅢ-QA63
    Z282-50BⅠ02-▽     1只
    BZ131-25I06
    C80032-25BⅢ24-CG05◇   
    Q81011-200BdV-QH190
    40目滤芯用于【YG41-16L-40-25】
    C8004-50RFⅢ02T-B20
    Z101-32Ⅱ02-E
    Z101-50Ⅱ02-E
    C500-25Ⅲ02
    YS-15LQ
    阀盖密封圈用于【ZQDF-40BⅢ02】
    ZCF2-03I24
    C7003-15II02
    ZCF-03Ⅳ24-P
    ZF34-06BI24-▽
    C500-25Ⅲ02-□"
    【要求电机正反转】

    Z111-06RI24
    C8004-50RFⅢ02T-B20
    YS-50RQ-S   4只
    BmZCF-06I02
    【自配1602线圈】
    Z291-50CⅠ-AC127    2只
    BdZ2834-08BⅠ02     1只
    同左
    C5003-15Ⅲ24
    C800-40BFⅢ02-◇
    C80031-32BFⅢ02-◇

    Z271-15BI24-200  1只
    Z281-08LⅣ02-▽   1只
    4-32    1只
    H14W-16P4-32    1只
    BE-120  AC380
    注意:来货后换BEST-05用的填料函
    Y42X-16C-15    3只【中英文标牌】
    Y42F-10C-150  1只【中英文标牌】
    G45J-10  DN50
    中英文标牌
    ZBSF-15BF02-Y
    中英文标牌
    C800-15CFⅢ02-CG05◇
    C8004-15CFⅢ02T-CG05
    中英文标贴
    CS49W-16P-32
    YG41-16P1   DN32  1只
    YG41-16P1   DN25  2只
    H11F-16P-25  16只
    Q42P-50CFⅢ
    Z301-25I02
    Z3CF-15U(—)Ⅱ02
    BZQDF-50I02
    阀盖+活塞组件【用于ZBSF-32BFV02】  1套
    阀芯组件用于【ZQDF-20BV】【蒸汽用】
    BdZQDF-50BFⅢ02
    BdZ291-20BⅠ02-16  1只
    BdZ281-10BⅠ24-  6
    BdZ291-25BⅢ02-16  1只
    Q41F-150LbP 1"
    510线圈用于【Z112-25I12】
    ZQDF2-40BI24-IP65 
    管接头密封垫用于【QJ65F-250P-10】
    管接头密封垫用于【QJ65F-250P-15】 

    Z111-06RI24
    YF-50RQ-S  11只
    YF-50RQ-D  10只
    SCQ4896
    【4-20mA信号】
    TZC800-80BFⅢ02-25CG50☆#
    Z291-25CFV02-16    2只

    Z271-06BI02-100-NPT1/4"  4只

    Z271-06BⅣ02-100-NPT1/4"  1只

    Z281-04BⅣ02-100-NPT1/4"  1只
    C800-100CFⅢ02CG50
    YG41-5P   DN40  1只【CBM1012-81标准】
    H12W-16P-20  1只
    H12W-16P-15  1只
    Q8102-150CdⅡ-10QA105
    Q8002-40CFⅢ-QA83□"
    Z101-09BI24-0-1/2
    C800-32BFⅢ24-CG05◇
    C80031-32BFⅢ24-CG05◇
    BZ101-150BFII02-J
    热水阀
    Z101-10B-G-1/2-E-13W AC24
    Z111-25RI02
    DF810-150CdⅢ-10-W    2只
    DF810-350CdⅢ-10-W    2只
    DF810-500CdⅢ-10-W    4只
    C800-40BFⅢ02-B10◇ 
    阀杆密封件用于【C800-06BⅢ24-250-CG10□"】20只
    YF-40RP(-)Q
    YF-50RP(---)Q
    ZQDF-20BHⅢ02-40【承插焊】
    Z101-15Ⅱ24-E  3只
    Z101-10I24     6只
    Z101-40Ⅱ24-V  3只
    BdZF32-04BNI02-∑


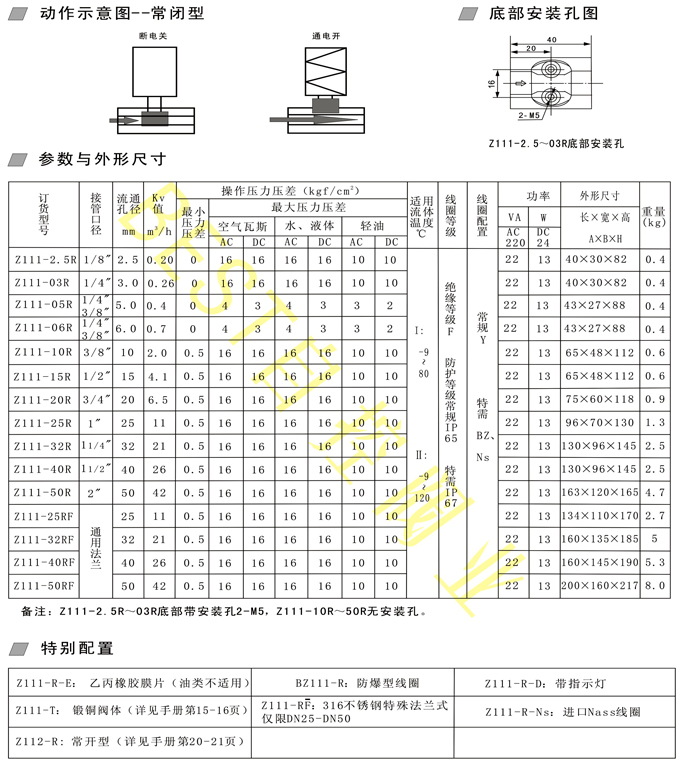
    Z111-R 316不锈钢系列二位二通先导膜片式电磁阀〈常闭型、出口型〉产品描述

    1.出口型(出口量该系列最多)
    2.泄漏量为零
    3.阀体材料:SUS316不锈钢(代号:R)
    4.最高动作频率: 3次/秒
    5.极限耐压等级:20kgf/cm2
    6.适合的环境温度:-15~75℃
    7.适用介质的运动粘度:25CST(mm2 /s) 
    8.可任意角度安装,水平安装线圈向上可延长寿命
    9.系列化成熟产品,其动作原理可分散水锤产生的能量
    10.先导式结构,需要压差动作(Z111-2.5R~06R为直动式)
    11. 膜片材料:Ⅰ型常规膜片:NBR(丁腈jing橡胶,代号:N),Ⅱ型常规膜片:VITON(氟橡胶,代号:V)
    12.电压常规:AC220/AC230/AC240V  50/60Hz,DC24,允许波动±10%,其它电压定制



    留言咨询

    (如果想详细了解产品信息,请留言,我们将在第一时间与您联系!)
    信息标题 *
    公司名称:
    姓名: * 电话: *
    Q Q: Email:
    期望价格:
    内容: *
    验证码: *
     
    免责声明:以上信息由会员自行提供,内容的真实性、准确性和合法性由发布会员负责,绿色节能环保网对此不承担任何责任。绿色节能环保网不涉及用户间因交易而产生的法律关系及法律纠纷,纠纷由您自行协商解决。
    友情提醒:本网站仅作为用户寻找交易对象,就货物和服务的交易进行协商,以及获取各类与贸易相关的服务信息的平台。为避免产生购买风险,建议您在购买相关产品前务必确认供应商资质及产品质量。过低的价格、夸张的描述、私人银行账户等都有可能是虚假信息,请采购商谨慎对待,谨防欺诈,对于任何付款行为请您慎重抉择!如您遇到欺诈等不诚信行为,请您立即与绿色节能环保网联系,如查证属实,绿色节能环保网会对该企业商铺做注销处理,但绿色节能环保网不对您因此造成的损失承担责任!
    联系方式:chinajnhb@126.com是处理侵权投诉的专用邮箱,在您的合法权益收到侵害时,欢迎您向该邮箱发送邮件,我们会在3个工作日内给您答复,感谢您对绿色节能环保网的关注与支持!

    扫一扫手机旺铺

    客户服务热线

    15821684786

    上海北四特自动化科技有限公司

    很高兴为您服务